Linear Amplifier

Power Amplifier 2000 Watt

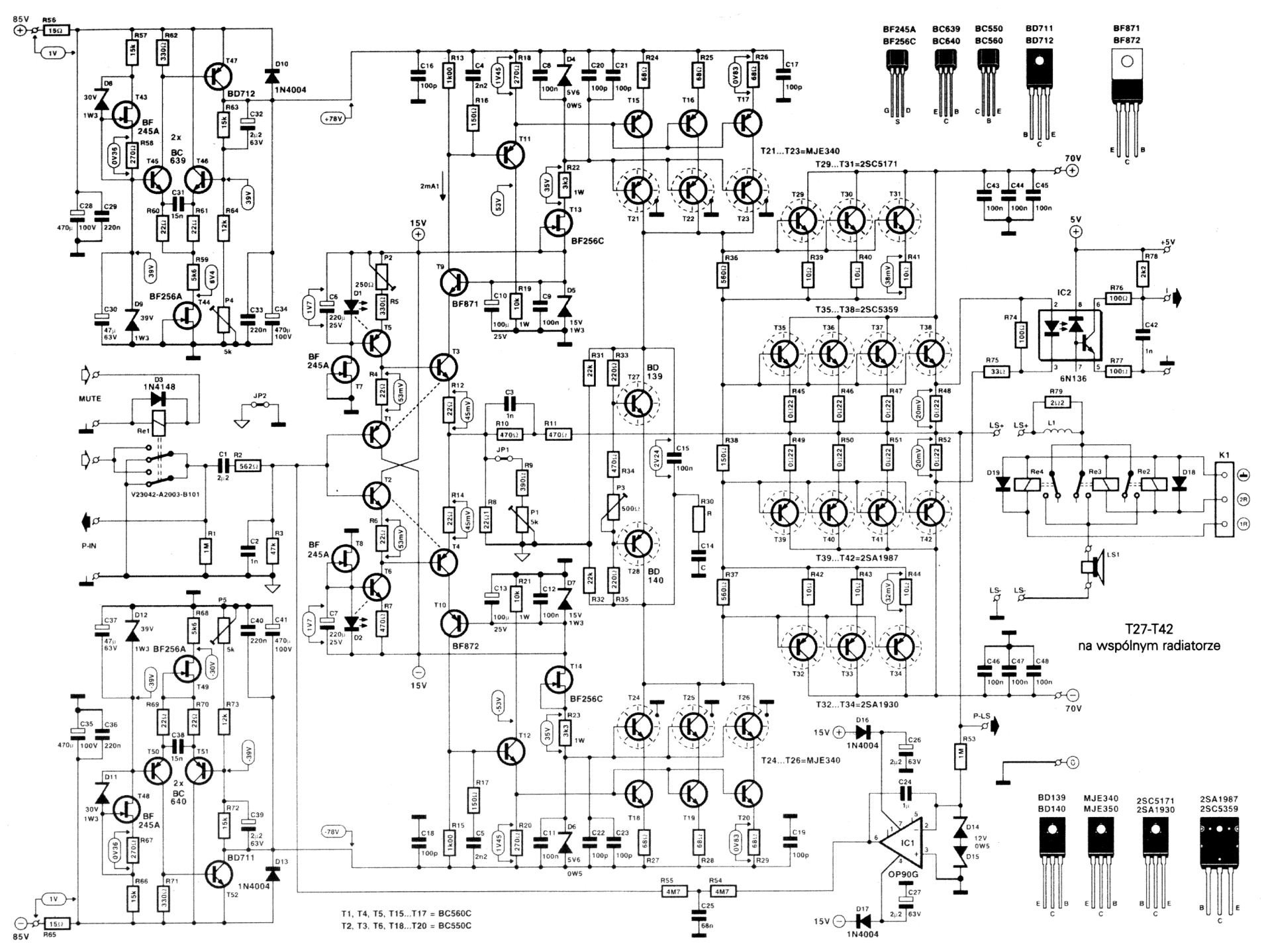
This is linear power amplifier 2000 Watt which need advance knowledge in electronics since the schematic diagram is very complex…

56 years ago

1.5W Audio Amplifier with IC SSM2211

This is 1.5W audio amplifier circuit design based on wide bandwidth, low distortion power IC SSM2211 from Analog Devices. This…

56 years ago

24W Audio Amplifier (Class A)

This is the circuit diagram of 24 Watt class A linear audio amplifier, built and tested by Marc Klynhans from…

56 years ago

35W Power Audio Amplifier based LM391

Here the 35W power audio amplifier circuit based on LM391. Inductor L1 is constituted by 20 coils of wire, with…

56 years ago

18W Audio Amplifier

This is the circuit diagram of 18W audio amplifier. The circuit is quite simple and inexpensive to built. It uses…

56 years ago

USB Powered, Stereo Computer Speaker

This is the circuit diagram of USB powered stereo computer speaker, or it widely known as multimedia speakers for PCs.…

56 years ago

Mic Condenser Amplifier

This is the circuit diagram of mic condenser amplifier. The low-cost and compact mic condenser audio amplifier described right here…

56 years ago

150W Power Amplifier

This is the very simple circuit diagram of 150W power amplifier. The circuit is easy enough to built without PCB.…

56 years ago

1500W Power Amplifier

This is a very high 1500W power amplifier circuit diagram by Rod Elliott. The circuit is built using 10 pairs…

56 years ago

65W Power Amplifier using HEXFET

This is a high quality 65W power amplifier circuit based HEXFET IRF9540 and IRF540. The circuit is quite simple for…

56 years ago