Categories: AudioLinear Amplifier

35W Power Audio Amplifier based LM391

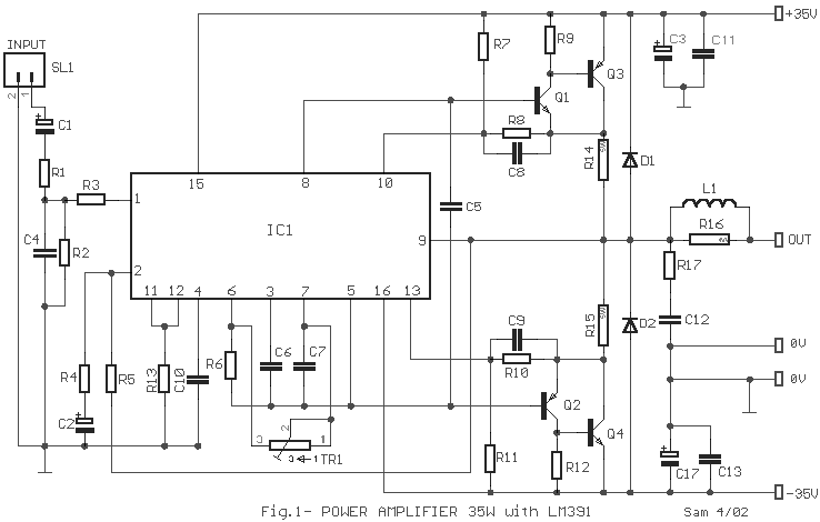
Here the 35W power audio amplifier circuit based on LM391. Inductor L1 is constituted by 20 coils of wire, with thickness 0.9mm, round resistor R16. The transistors Q3-4 are the final amplification section, it should be placed on heatsink. If are used the Q3-4 in packing TIPxxxx they can be placed straight above in PCB. If however they are used transistor in packing TO-3, then it will be supposed they are connected with short cables in the corresponding places on PCB.

Schematic Diagram:

Component part list:

R1-3-5-8-10=1Kohm
R2-7-11=100Kohm
R4-6=4.7Kohm
R9-12=100ohm
R13=47Kohm
R14-15=0.15ohm 5W
R16=1ohm 2W carbon 5%
R17=10ohm 1W carbon 5%
C1=2.2uF 63V
C2=4.7uF 25V
C3-17=47uF 63V
C4-8-9=1nF 100V MKT
C5=47nF 100V MKT
C6=22pF ceramic
C7-11-12-13=100nF 100V MKT
C10=22pF ceramic
TR1=10K Trimmer
D1-2=IN4002
IC1=LM391
Q1=BD139
Q2=BD140
Q3=TIP2955
Q4=TIP3055
L1=See text

PCB Layout:

Component Placement:

Take a note that this amplifier requires dual polarity power supply. Build the power supply using center tap transformer with output current 2A minimum and output voltage 30V, use about 6800 uF – 10000 uF electrolityc capacitors (elco). Good luck.

source: http://users.otenet.gr/~athsam/power_amplifier_35w_with_lm391.htm

circuit diagram

View Comments

Recent Posts

Guitar Synthesizer Schematic Diagram Collection

Guitar Synthesizer Schematic Diagram In this post, we provide a collection of schematic diagrams of…

56 years ago

Handy Talky HT DIY Schematic Diagram

Handy Talky Schematic Diagram This is an old electronic scheme of the Handy Talky (HT)…

56 years ago

Doorbell Ringer Birdie Tone

This is an old or "very old" schematic diagram of birdie tone or sound generator.…

56 years ago

200W MOSFET Amplifier based IRFP250N

Here is the 200W MOSFET amplifier powered based on four piece of IRFP250N, they are…

56 years ago

300W RMS Stereo Power Amplifier based IC TDA7294

This is the 300W RMS stereo power amplifier circuit project. This amplifier is based four…

56 years ago

Stereo Tone Control with Line In + Microphone Mixer

This is an active stereo tone control circuit using very well known op-amp IC of…

56 years ago