Categories: Fun CircuitsMisc

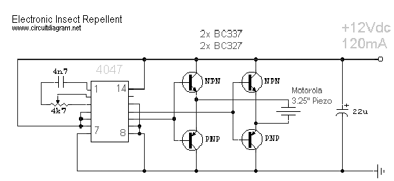
Insect Repellent

This insect repellent circuit will repel insects such as mosquitoes, flies and cockroaches from your home or yard effectively. circuit uses a specific frequency to disrupt the insect so the insect will go away from this circuit.

This insect repellent circuit can be placed inside or outside the home (for speakers). If you want to put the whole circuit on the outside of the house, make sure the circuit is in a safe place, especially when it rains.

This circuitry consists of a PLL (Phase Looked Loop) oscillator circuit using a CMOS 4047 with a frequency of 22 KHz. Current drain is around 120mA. So, external power supply is recommended for better results.

Source: http://www.zen22142.zen.co.uk/Circuits/Misc/insecrep.html

circuit diagram

View Comments

Recent Posts

Guitar Synthesizer Schematic Diagram Collection

Guitar Synthesizer Schematic Diagram In this post, we provide a collection of schematic diagrams of…

56 years ago

Handy Talky HT DIY Schematic Diagram

Handy Talky Schematic Diagram This is an old electronic scheme of the Handy Talky (HT)…

56 years ago

Doorbell Ringer Birdie Tone

This is an old or "very old" schematic diagram of birdie tone or sound generator.…

56 years ago

200W MOSFET Amplifier based IRFP250N

Here is the 200W MOSFET amplifier powered based on four piece of IRFP250N, they are…

56 years ago

300W RMS Stereo Power Amplifier based IC TDA7294

This is the 300W RMS stereo power amplifier circuit project. This amplifier is based four…

56 years ago

Stereo Tone Control with Line In + Microphone Mixer

This is an active stereo tone control circuit using very well known op-amp IC of…

56 years ago