Categories: Communication

Telephone Switcher

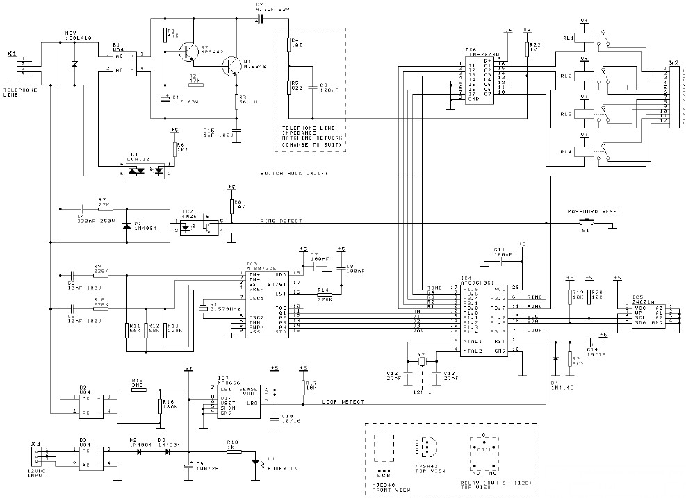
This diagram is the schematic diagram of telephone switcher using relays. This device connects to the telephone line and can be used to remotely control up to 4 relay outputs using a DTMF (tone dialing) telephone. A number of user settings are available to improve the useability and security of the device. The kit comes complete with a small plastic case with silk-screened front and rear panels.

The brain of this circuit is microcontroller chip Atmel MCS51 family AT89C2051. The source code is not available here, you may find out the source code by yourself.

The diagram is quite hard to designed in PCB, you may purchase the telephone switcher kits from this page:? http://electronickits.com/kit/complete/tele/ck603.htm

The application notes for this circuit can be download here

circuit diagram

Recent Posts

Guitar Synthesizer Schematic Diagram Collection

Guitar Synthesizer Schematic Diagram In this post, we provide a collection of schematic diagrams of…

56 years ago

Handy Talky HT DIY Schematic Diagram

Handy Talky Schematic Diagram This is an old electronic scheme of the Handy Talky (HT)…

56 years ago

Doorbell Ringer Birdie Tone

This is an old or "very old" schematic diagram of birdie tone or sound generator.…

56 years ago

200W MOSFET Amplifier based IRFP250N

Here is the 200W MOSFET amplifier powered based on four piece of IRFP250N, they are…

56 years ago

300W RMS Stereo Power Amplifier based IC TDA7294

This is the 300W RMS stereo power amplifier circuit project. This amplifier is based four…

56 years ago

Stereo Tone Control with Line In + Microphone Mixer

This is an active stereo tone control circuit using very well known op-amp IC of…

56 years ago