This is a basic and very simple low power inverter to convert 12V DC to 120V AC. How much power this simple inverter can handle […]


Here is 100 Watt Inverter 12V DC to 220V AC schematic diagram. This circuit designed using the combination of main components IC CD4047, Transistor TIP122 […]

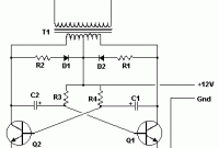
This inverter 12V DC to 240V DC can be used to power electric razors, stroboscopes and flash tubes, and small fluorescent lamps from a 12 […]