Categories: Radio

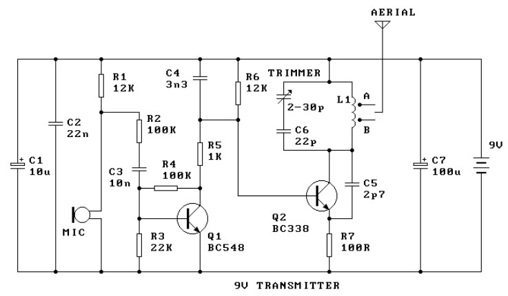
9V FM Radio Transmitter

Here the simple and low cost FM transmitter circuit. The frequency range of this FM transmitter should be about 89MHz ? 109MHz. Output power is about 9mW at 9V.

Components List:

Resistors:
R1, R6        : 12K
R2, R4        : 100K
R3            : 22K
R5            : 1K
R7            : 100R

Capacitors:
C1            : 10uF/25V
C2            : 22n
C3            : 10n
C4            : 3n3
C5            : 2p7
C6            : 22p 
C7            : 100uF/16V
Trimmer       : 0-30pF tuning capacitor

Mic           : ECM-60P

Transistors:
Q1            : BC338
Q2            : BC548B

The battery supply rails have been well tied together with respect to radio frequencies (C1, C2 and C7.) The tracks are also thicker. This makes the circuit a single “solid” block eliminating RF currents in different parts of the circuit. This also means the battery no longer has RF on it which makes the whole unit a lot more frequency stable. A battery is perfect choice.

Download the complete explanation of this FM Transmitter (include circuit diagram, component list, the circuit’s work) in PDF format:
[wpdm_file id=42]

Source: kitrus.com

circuit diagram

View Comments

  • Pls I need a diagram of fm transmitter with the highest frequency rate also a diagram of radio reciever,all with components.I will be greatful if my request is granted.Thanks

  • I want to make Fm transmitter and receiver could you help me to send circuit diagram and other related documents
    regards

  • I am reading Diploma in Engineering. I Want to make a FM radio station for 95MHz Please send me the circuit diagram and components in detail.

  • i am student. piease...., send me a 500M radio transmiter circuit diagram. if u help me i will be thankfull...

  • thanks the infomation is good, am a electronic student that have special intress in transmitter building and repair, back in africa i dont have tuitural or books to help me through, once again thank you and looking forward to hear from you

  • I am a electronics students.. plz send me a 1km range radio transmitter.. or how can I spend my transmitting range??in above circuit..if possible

  • Please, I have gone through the FM Transmiter circuit diagram on your web site; but I have difficulty converting the capacitor values (nano/pico farad) to the numeric value such as 102, 103, 104, and so on which is common to the ceramic type. For me to purchase these capacitors (correct values), I must know these values. Please, kindly help me. Thanks.

  • i am pleased with your articles i am a student in a college please sent me a circuit daigram of fm transmitter of 2km range.

Recent Posts

Guitar Synthesizer Schematic Diagram Collection

Guitar Synthesizer Schematic Diagram In this post, we provide a collection of schematic diagrams of…

56 years ago

Handy Talky HT DIY Schematic Diagram

Handy Talky Schematic Diagram This is an old electronic scheme of the Handy Talky (HT)…

56 years ago

Doorbell Ringer Birdie Tone

This is an old or "very old" schematic diagram of birdie tone or sound generator.…

56 years ago

200W MOSFET Amplifier based IRFP250N

Here is the 200W MOSFET amplifier powered based on four piece of IRFP250N, they are…

56 years ago

300W RMS Stereo Power Amplifier based IC TDA7294

This is the 300W RMS stereo power amplifier circuit project. This amplifier is based four…

56 years ago

Stereo Tone Control with Line In + Microphone Mixer

This is an active stereo tone control circuit using very well known op-amp IC of…

56 years ago