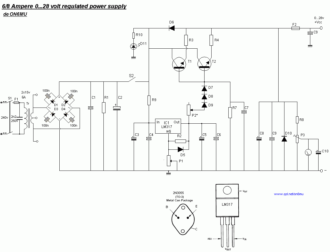
6A / 0 to 28Volt Regulated Variable Power Supply Circuit Diagram. By making use of two 2N3055 transistor, you’ll get two times the amount of electric current.
Although the 7815 power regulator may kick in on short circuit, overload and thermal overheating, the fuses in the main section of the transformer and the fuse F2 at the output will safe your power supply. The rectified voltage of: 30 volt x SQR2 = 30 x 1.41 = 42.30 volt measured on C1. So all capacitors should be rated at 50 volts. Caution: 42 volt will be the voltage that could be on the output if 1 of the transistors ought to blow.


i want input 24 v.d.c output 8-24 v.d.c. variable voltage current control power supply. output maximum current 3amp