Categories: AudioLinear Amplifier

35W Power Amplifier with STK-082

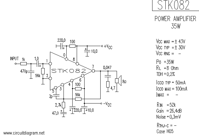
Here the great 35W power amplifier with single IC STK-082 from Sanyo Semiconductor. Simple circuit with high power output.. 🙂

This circuit uses symmetrical (dual polarity) power supply with maximum power voltage is 43V based on the datasheet document. The recommended voltage operation is +/- 30V. For stereo application, you just need to build two similar circuit. Use minimum 2A center tap transformer for stereo channel amplifier.

Use this kind of dual polarity power supply circuit:

STK082 Features:

  • @lMST, l Channel? by 2 Power Supplies
  • Differential amp. constantc current driving.
  • Capable of tone controlling.

Download the STK-082 datasheet from the following link:
[wpdm_file id=62]

circuit diagram

Share
Published by
circuit diagram

Recent Posts

Guitar Synthesizer Schematic Diagram Collection

Guitar Synthesizer Schematic Diagram In this post, we provide a collection of schematic diagrams of…

56 years ago

Handy Talky HT DIY Schematic Diagram

Handy Talky Schematic Diagram This is an old electronic scheme of the Handy Talky (HT)…

56 years ago

Doorbell Ringer Birdie Tone

This is an old or "very old" schematic diagram of birdie tone or sound generator.…

56 years ago

200W MOSFET Amplifier based IRFP250N

Here is the 200W MOSFET amplifier powered based on four piece of IRFP250N, they are…

56 years ago

300W RMS Stereo Power Amplifier based IC TDA7294

This is the 300W RMS stereo power amplifier circuit project. This amplifier is based four…

56 years ago

Stereo Tone Control with Line In + Microphone Mixer

This is an active stereo tone control circuit using very well known op-amp IC of…

56 years ago