Categories: AudioLinear Amplifier

2 x 1.2W Dual Power Amplifier with KA2214

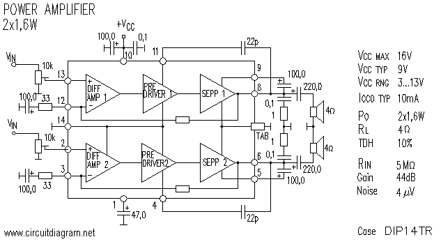
This is another stereo / dual power amplifier circuit with power IC KA series. This amplifier delivers dual power output (stereo) at 1.2W for each channel. General

The KA2214 is a monolithic integrated dual audio power amplifier in a 14-pin plastic dual in line package. It is designed portable audio sets.

Power IC KA2214 Features:

  • Wide operating supply voltage range: Vcc=3V~13V
  • Output power:
    Po = 1.2W at 9V/8?/THD = 10%
    Po = 1.6W at 9V/4?/THD = 10%
    Po = 2W at 12V/8?/THD = 10%
  • Good ripple rejection ratio: 50dB (Typ)
  • Low quiescent circuit current: 10mA (Vcc=9V)
  • Minimum number of external parts required

Download the KA2214 power amplifier datasheet:
[wpdm_file id=50]

Goodluck 🙂

circuit diagram

Recent Posts

Guitar Synthesizer Schematic Diagram Collection

Guitar Synthesizer Schematic Diagram In this post, we provide a collection of schematic diagrams of…

56 years ago

Handy Talky HT DIY Schematic Diagram

Handy Talky Schematic Diagram This is an old electronic scheme of the Handy Talky (HT)…

56 years ago

Doorbell Ringer Birdie Tone

This is an old or "very old" schematic diagram of birdie tone or sound generator.…

56 years ago

200W MOSFET Amplifier based IRFP250N

Here is the 200W MOSFET amplifier powered based on four piece of IRFP250N, they are…

56 years ago

300W RMS Stereo Power Amplifier based IC TDA7294

This is the 300W RMS stereo power amplifier circuit project. This amplifier is based four…

56 years ago

Stereo Tone Control with Line In + Microphone Mixer

This is an active stereo tone control circuit using very well known op-amp IC of…

56 years ago