10 Dancing LEDs

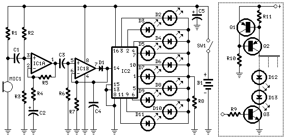
This is the circuit diagram of dancing LEDs which consists of 10 units LEDs. The 10 dancing LEDs circuit works like a audio level meter. The LEDs will be dance sequence with the sound level that entering the microphone.

Components list:
R1_____________10K 1/4W Resistor
R2,R3__________47K 1/4W Resistors
R4______________1K 1/4W Resistor
R5,R6,R7______100K 1/4W Resistors
R8____________820R 1/4W Resistor

C1,C3_________100nF 63V Ceramic or Polyester Capacitors
C2_____________10?F 50V Electrolytic Capacitor
C4____________330nF 63V Polyester Capacitor (See Notes)
C5____________100?F 25V Electrolytic Capacitor

D1___________1N4148 75V 150mA Diode
D2-D11_________5 or 3mm. LEDs (any type and color)

IC1___________LM358 Low Power Dual Op-amp
IC2____________4017 Decade counter with 10 decoded outputs IC

M1_____________Miniature electret microphone
SW1____________SPST miniature Slider Switch
B1_______________9V PP3 Battery
Clip for PP3 Battery

Additional circuit parts (see Notes):

R9,R10_________10K 1/4W Resistors
R11____________56R 1/4W Resistor
D12,D13 etc.____5 or 3mm. LEDs (any type and color)
Q1,Q2_________BC327 45V 800mA PNP Transistors
Q3____________BC337 45V 800mA NPN Transistor

How the circuit works:

IC1A amplifies about 100 times the audio signal picked-up by the microphone and drives IC1B acting as peak-voltage detector. Its output peaks are synchronous with the peaks of the input signal and clock IC2, a ring decade counter capable of driving up to ten LEDs in sequence.

An additional circuit allows the driving of up to ten strips, made up by five LEDs each (max.), at 9V supply. It is formed by a 10mA constant current source (Q1 & Q2) common to all LED strips and by a switching transistor (Q3), driving a strip obtained from 2 to 5 series-connected LEDs. Therefore one transistor and its Base resistor are required to drive each strip used.

Circuit Notes:

  • The sensitivity of the circuit can be varied changing R4 value.
  • C4 value can be varied from 220 to 470nF in order to change the circuit speed-response to music peaks.
  • Adopting the additional circuit, only one item for R10, R11, Q1 and Q2 is required to drive up to ten LED strips. On the contrary, one item of R9 and Q3 is necessary to drive each strip you decided to use.
  • Each R9 input must be connected to IC2 output pins, in place of the LEDs D2-D11 shown. R8 must also be omitted.
  • Whishing to use a lower number of LEDs or LED strips, pin #15 of IC2 must be disconnected from ground and connected to the first unused output pin. Example:
    if you decided to use 5 LEDs, pin #15 of IC2 must be connected to pin #1; if you decided to use 8 LEDs, pin #15 of IC2 must be connected to pin #9 etc.
  • Current drawing of the circuit is about 10mA.
  • Whishing to use a wall-plug transformer-supply instead of a 9V battery, you can supply the circuit at 12V, allowing the use of up to 6 LEDs per strip, or at 15V, allowing the use of up to 7 LEDs per strip.
circuit diagram

View Comments

  • plz , send full detail of 10 dancing LEDs project circuit layout,circuit diagram

    why does the LED?s light up when an input is detected, you mean it lights up all at the same time? What should i do if I just want them to light up all at the same time when i talk into the microphone?

  • How does this circuit work, the LED's light up when an input is detected, you mean it lights up all at the same time? What should i do if I just want them to light up all at the same time when i talk into the microphone?

  • please tell me how to included .. the additional circuit and where is the inter-connection of the main ckt with the additional one......plz tell me soon, I have included it in my college project

  • i am making this dancing leds circuit but what i do with pin no. 12 od IC2...please help me

Recent Posts

Guitar Synthesizer Schematic Diagram Collection

Guitar Synthesizer Schematic Diagram In this post, we provide a collection of schematic diagrams of…

56 years ago

Handy Talky HT DIY Schematic Diagram

Handy Talky Schematic Diagram This is an old electronic scheme of the Handy Talky (HT)…

56 years ago

Doorbell Ringer Birdie Tone

This is an old or "very old" schematic diagram of birdie tone or sound generator.…

56 years ago

200W MOSFET Amplifier based IRFP250N

Here is the 200W MOSFET amplifier powered based on four piece of IRFP250N, they are…

56 years ago

300W RMS Stereo Power Amplifier based IC TDA7294

This is the 300W RMS stereo power amplifier circuit project. This amplifier is based four…

56 years ago

Stereo Tone Control with Line In + Microphone Mixer

This is an active stereo tone control circuit using very well known op-amp IC of…

56 years ago