0-24VDC Digital PIC Power Supply

This is 0-24VDC digital PIC power supply circuit. This variable power supply controlled with PIC microcontroller. There is LCD display in this circuit which will show the actual value of power supply output. This power supply use push on switch to adjust the output voltage and current value.

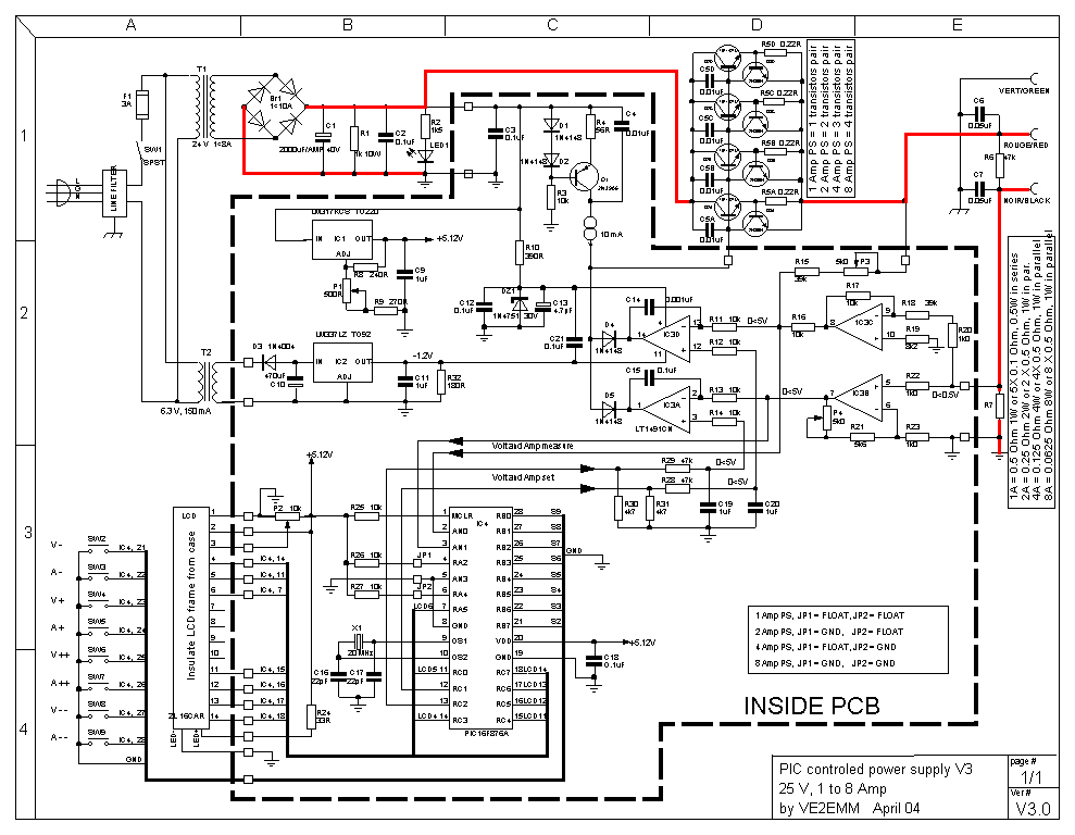
Schematic Diagram:

Component List:
C1 = 2000uF per AMP, 40V (adjust capacity to power supply amps)
C2,C3,C12,C15,C18,C21 = 0.1uF CER
C4 = 0.01uF CER
C5A,C5B,C5C,C5D = 0.01uF CER
C6,C7 = 0.05uF CER
C8 = Not used
C9,C11,C19,C20 = 1uF CER
C10 = 470uF 15V EL RADIAL
C13 = 4.7uF 50V EL RADIAL
C14 = 0.001uF CER
C16,C17 = 22pF CER

D1,D2,D4,D5 = 1N4148
D3 = 1N4004
Br1 = 1<10A BRIDGE RECTIFIER (adjust seize to power supply amps)
DZ1 = 1N4751 30V ZENER
IC1 = LM317KCS TO220
IC2 = LM337LZ TO92
IC3 = LT1491CN special HV opamp, do not substitute
IC4 = PIC16F876A
Q1 = 2N3906
Q2A to Q2D = TIP142TU 1 to 5 transistors (adjust quantity to power supply amps)
Q3A to Q3D = 2N3904 (adjust quantity to power supply amps)

X1 = 20 mHz HC49 DigiKey PN: 300-6042-ND

LED1 = T1 3/4 RED OR GREEN LED
LCD = LCD, 2X16, HD44780 intelligent controller DigiKey PN: 67-1758-ND insulate from case

P1 = 500 Ohms
P2 = 10 kOhms
P3,P4 = 5 kOhms

R1 = 1 kOhms 10W
R2 = 1.5 kOhms
R3,R11,R12,R13,R14,R16,R17,R25,R26,R27 = 10 kOhms
R4 = 56 Ohms
R5A to R5D = 0.22 Ohms (adjust quantity to power supply amps)
R6,R28,R29 = 47k Ohms
R7 = as per schematic (adjust value to power supply amps)
R8 = 240 Ohms
R9 = 270 Ohms
R10 = 390 Ohms
R15 = 39 kOhms
R18 = 39 kOhms
R19 = 8.2 kOhms
R20,R22,R23,R32 = 1 kOhms
R21 = 5.6 kOhms
R24 = 33 Ohms 1/2W
R30,R31 = 4.7 kOhms

SW1 = SPST min toggle
SW2,SW3,SW4,SW5,SW6,SW7,SW8,SW9 = NO_SP push button
T1 = 24 V 1<8A (adjust seize to power supply amps)
T2 = 6.3 V, 150 mA

MISC:
3 Terminals
Transistors Heat Sink, up to: 1A = 30W, 2A = 60W, 4A = 120W, 8A = 240W to dissipate
Line filter, Case PCB, IC sockets…

PCB Layout:

Top side:

Bottom Side:

SPECIFICATIONS

VOLTAGE:

  • Ajustable from 0 < 25 Volts at a resolution of 100 mV.

CURRENT: choice of 4 ranges;

  • 0 < 1.000A at a resolution of 1 mA. JP1 and JP2 open, C1 = 2000uF filter cap., R7 = 0.5 Ohm, T1 = 24V, 1Amp.
  • 0 < 2.000A at a resolution of 2 mA. JP1 ground and JP2 open, C1 = 4000uF filter cap., R7 = 0.25 Ohm, T1 = 24V, 2Amp.
  • 0 < 4.000A at a resolution of 4 mA. JP1 open and JP2 ground, C1 = 8000uF filter cap., R7 = 0.125 Ohm, T1 = 24V, 4Amp.
  • 0 < 8.000A at a resolution of 8 mA. JP1 and JP2 ground, C1 = 16000uF filter cap., R7 = 0.0625 Ohm, T1 = 24V, 8Amp.

2 lines LCD display:

  • The top line shows the settings, the maximum current stays displayed at all times, it is not necessary to short the output terminals to set the maximum current.
  • The bottom line shows the measured values.
  • The arrows at the bottom center line show who is in control, the voltage or the current.

Adjustments:

  • Voltage, steps of 1 V and 0.1 V.
  • Current, steps of 1, 2, 4, 8 mA and 50, 100, 200, 400 mA depending on the Amp range.
  • Memorisation of the last settings before power off, restarting with thoses same settings.

Download the full document include schematic diagram, reference, pcb layout and program source code :
[wpdm_file id=61]

circuit diagram

View Comments

  • Excellent project, works perfectly well. But there were 3 problems with the original hex file.
    1. It did not work, so I recompiled it with the last CCS compiler.
    2. The connections of voltage bottons were confused with the current ones.
    3. Eeprom memory did not work because the program to save int16 directly to eeprom.
    So, I corrected all those small bags and the power supply started to work as expected.

  • quem colocou este projeto aqui não quer que ninguém monte pois não tem o HEX do PIC, este circuito é uma fria montar, deveria haver um pouco mais de sensibilidade de um autor desses, o arquivo comprimido também não tem o HEX, UMA PENA !!!
    ]

  • Very cool this project.
    Where I can download files - sch, pcb and PIC firmware - for this project?

  • Heya i'm for the first time here. I came across this board and I in finding It really helpful & it helped me out a lot.
    I am hoping to present one thing back and aid others such as you helped me.

  • Can anyone help? I have built the circuit board and populated as per the list above. I had a specialist transformer made which includes the 24V supply and the 6.3 V supply rail.
    When populated with the ICs it does not output any voltage but with IC3 removed the output voltage is the rail voltage of about 34V. IC3 (the op-amp) seems to taking the current from the transistor. Pin voltage on IC3 is +30V (pin4)and -1.28V(Pin11).
    I cannot understand how to get round this.
    Suggestions please. Has anyone else had the problem

    Ray

  • I second what Denis said (except the profanity). I cannot download the plans due to adware interference. Please clean up your site so I can get this download and begin my project.

    Thanks!

  • You cannot download from link provided, goes to adware shit, Shows this site in a poor light.
    please give valid download link

  • Hi,

    Would I be right in thinking that the 6.3V transformer is not critical? Looking at the 337 datasheet for calculating output, input voltage does not seem to be critical.
    I want o use a 9V or 12v supply (otherwise I will need to pay an import charge to Farnell to bring a 6.3 V transformer into the UK)

    Thanks, think this is a great project, which I've been looking for sometime. How you guys work it out is quite amazing.

    Ray Drury

  • sir what's the meaning of JP1 and JP2...do i need to short it?..is it possible to replace the IC1 op amp with LM324. i already build the circuit, but the LCD only light on in few seconds and light off again..how can i troubleshoot it..

Recent Posts

Guitar Synthesizer Schematic Diagram Collection

Guitar Synthesizer Schematic Diagram In this post, we provide a collection of schematic diagrams of…

56 years ago

Handy Talky HT DIY Schematic Diagram

Handy Talky Schematic Diagram This is an old electronic scheme of the Handy Talky (HT)…

56 years ago

Doorbell Ringer Birdie Tone

This is an old or "very old" schematic diagram of birdie tone or sound generator.…

56 years ago

200W MOSFET Amplifier based IRFP250N

Here is the 200W MOSFET amplifier powered based on four piece of IRFP250N, they are…

56 years ago

300W RMS Stereo Power Amplifier based IC TDA7294

This is the 300W RMS stereo power amplifier circuit project. This amplifier is based four…

56 years ago

Stereo Tone Control with Line In + Microphone Mixer

This is an active stereo tone control circuit using very well known op-amp IC of…

56 years ago